
本專欄上期指出,新方案成功與否,關鍵在Array控制基板要有高開口率,也就是像素透光區域的面積與像素總面積比值越高越好,因為開口率低時,大部分畫面將被Array上的電路與電晶體遮蔽。
本期內容有助瞭解應用當前LCD面板廠使用的黃光製程,速博思如何與為何設計開口率大於90%以上的Array 控制基板;也有助瞭解電子紙從黑白進入全彩的核心思維理路。
本文首先以單一相素電路圖介紹電子紙在控制基板上的電路作動邏輯,然後藉以展開對當前電子紙設計的反思、分享速博思創新方案、兩種TFT設計,最後提出多種開口率90%以上設計實例、預告下期將進入速博思全彩電子紙時代。
電子紙控制電路介紹

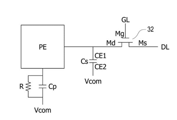
圖3-1驅動電路先將電荷經TFT電晶體儲存在Cs儲存電容,電容上CE1電極連接到控制電極PE與電子墨水中帶電荷粒子互動:吸引異極性電荷粒子移往PE;推離同極性粒子遠離PE。
儲存電容CE2端的相對電極上,電荷會流往共同電極,如圖左下方電阻R並聯電容Cp,成為等效電子墨水薄膜的電路。其中,Cp為控制電極與共同電極間的電容且其電容值遠比Cs小。
R等效於儲存電容Cs的CE2相對電極端流往共同電極的電流(模擬儲存電極透過電阻R放電到上基板的共同電極),圖中Vcom符號代表要接到上基板的共同電極連接線(詳圖3-2下方連接線)。

圖3-2左下,電荷會儲存在構成Cs的兩片平行電極上:控制電極PE與相對電極CE2。控制電極會與電子墨水互動,當吸引異極性顏色粒子靠近控制電極,相對電極CE2上的電荷就會移出,以維持儲存電容Cs的靜電平衡。移出的淨電流會往上基板的共同電極堆積電荷以吸引電子墨水中帶電荷粒子達靜電平衡。

解析當前電子紙電路設計
目前電子紙將電路圖設計在Array玻璃上的疊層圖,如圖3-3所示。左邊TFT電晶體為不透明結構,最大面積在控制電極(Pixel),由透明導電材料ITO製作;次大面積為形成儲存電容Cs的CE1與CE2兩片電極,分別由M1金屬層與M2金屬層構成,皆為不透明結構。所以,目前電子紙所使用的控制基板開口率小於10%,我們可視其為不透明基板。

圖3-4只有淺灰色區域是透明的,其他顏色區域都是不透明的,因此,目前的電子紙無法把正(觀看)面與控制基板擺在同側,只能如同預設值將其設定在與共同基板同側。
由於形成Cs電容的CE2端的相對電極,為單一像素內次大面積的導體,目的在與像素電極形成平行板電容,以存放較多數量的電荷。共同電極上的電荷,由於受電子墨水內的帶電荷粒子阻擋,不易與控制電極形成完美的平行板電容模型。
在此,特別要釐清,造成電子墨水內帶電電荷移動的主要力量,不是來自像素電極與共同電極上的電壓差產生的電場;而是來自像素電極上電荷與電子墨水內帶電荷粒子間的相吸或互斥產生的力量。
我們可以這樣看,假設微杯內沒有帶電荷的顏色粒子,控制電極與共同電極所形成的電容Cp、控制電極與CE2相對電極所形成的電容Cs,因為控制電極與共同電極間的距離約25um是控制電極與CE2相對電極間約0.2um距離的百倍,Cs的電容值可能大過Cp百倍。
這表示在相同電壓下,如果沒有Cs的結構,控制電極的電容為Cp會小百倍,在控制電極上的電荷,也會只剩百分之一的數量(電荷Q=電容C * 電壓V)。當電容值相差百倍,相當於電荷也會差上百倍,這意謂著如沒Cs電容設計,電子紙可以作動的機會不大。
當Cs有設計時,像素電極上的電荷,每吸引一異極電荷時,CE2上就要移出電荷且此電荷必須要有去處,不然因為DC不平衡就會推積在外部導體上形成靜電,或因無法移出,造成控制電極上電荷無法繼續吸引新粒子靠近而提早達到靜電平衡。
移出的電流會流往共同電極,並在成功吸引到與移出電荷同異極性粒子相互鎖住為止,如此才會達到靜電平衡,但這個過程會很慢。由於並非所有的像素電極都是同極性,因此,由CE2相對電極流出的淨電流,將為上述流出電流的總和,主要為正、負電流互相抵銷後的結果。
由於正(觀看)面在共同基板同側,所以在共同基板上必須增加保護機制,畢竟電子墨水薄膜非常柔弱,易因剝離造成破損(Peeling);墨水薄膜表面的保護膜要能不受溫度熱脹冷縮產生較大形變,最好接近底材玻璃溫度膨脹係數,還要耐刮、耐撞擊等。
邊框的封膠也要很考究,因為防止剝離的力量全部要靠邊框封膠,不能依賴保護膜與電子墨水薄膜間的光學膠。反之,觀看面在另一面的控制基板,因為有玻璃保護電子墨水薄膜,解決結構柔弱問題,就沒有太多類似問題。
速博思方案演繹與設計

圖3-5速博思方案把佔主要面積的Pixel直接當作儲存電容的CE1端電極,Vcom層作為CE2端電極,製作時這兩層都採用透明導電材料,如此一來,像素內的空間,大部分都可透光,開口率已經達到80%以上。

圖3-6藍色框內面積為透明像素電極部分。速博思顛覆傳統TFT設計,重新佈局把TFT直接放在閘極線上並與閘極線重疊,如此,開口率將增加到90%以上。
標準的顯示器驅動電路設計,一般遵循原LCD電路設計規範。其中,使用非晶矽薄膜電晶體a-Si設計時,由於a-Si的遷移速度很慢,造成導通時的電阻很大。
因此在TFT設計時,閘極通道寬長比一般會採用較高比值,以降低導通時的電阻值,因此薄膜電晶體將佔據很大比例的面積。尤其,在越高解析度下,薄膜電晶體的面積占比會更高。由於,薄膜電晶體是不透明的,當薄膜電晶體面積占比越大,代表開口率將越低。
由於LCD液晶轉態速度,遠高於電泳顯示器中,帶電荷粒子的移動速度,所以LCD顯示器可以提供較高的畫面更新率,驅動RC的時間要較短,所以導通電阻要更小。
然而,使用電泳顯示器,帶電荷粒子在電子墨水溶液中移動的速度很慢,畫面更新的速度也比較慢。所以,我們主張在薄膜電晶體設計時,應與LCD驅動電路的薄膜電晶體設計思維有所不同。
LCD的薄膜電晶體設計要考量使用較低的導通電阻;而在電泳式顯示器上則允許使用較高導通電阻的設計,且較高的導通電阻,在不導通時的漏電流相對也比較小,低漏電流的特性對電子紙運用而言,相當重要。
速博思兩種TFT設計方案

圖3-7,不透明的TFT面積加上貫孔面積,將佔用像素內面積,直接影響開口率,其面積約在600-1200平方微米,以300DPI解析度的電子紙來看,單一像素尺寸為85umX85um,面積7225平方微米。在此條件下,將影響開口率約8.5-15%。

圖3-8中,通道寬度與長度比為1:1,設計上讓不透明的TFT與閘極線重疊,減少不透明區域以提高開口率。在本設計中,露出閘極線外的面積約為100平方微米。同樣在300DPI的條件下,影響開口率為1.4%,比一般TFT設計減少5-10倍,可有效提升開口率。

圖3-9中,通道寬度與長度比為5:1,設計上同樣讓不透明的TFT與閘極線重疊以極小化不透明區域,此時閘極線外面積120平方微米,影響開口率為1.66%。
本設計中,像素電極與資料線為相鄰兩層,中間沒有絕緣層,可以使用兩相重疊方式相互連接導通。儲存電容的CE2電極與閘極線為相鄰的兩層,中間沒有絕緣層,同樣也可以經由重疊方式相互連接導通。

開口率90%+ 速博思設計實例

圖3-11,資料線與閘極線線寬使用3um規範,在大部分解析度下,使用速博思方案一TFT設計。在黑白解析度下,控制基板開口率都在90%以上。
當控制基板開口率達到90%以上時,已比現有電子紙開口率強,現有電子紙的微杯壁面積占微杯面積的比例大於10%,微杯壁是粒子無法到達的地方,屬於無效死區,這也解釋了何以目前採用微杯電子墨水薄膜,其開口率都低於90%的原因。
本專欄下期將為大家介紹創新的彩色濾光片設計,做為速博思全彩電子紙的彩色方案。同時,也將提出彩色濾光片應用在LCD與電子紙上的另類觀點,指出兩者間在應用上有何不同。(速博思全彩電子紙專利新知系列:15-3,每週三刊出)。















